 
销售热线
技术热线:0576-85183757

 
		 
		
销售电话:0576-85182037
技术电话:0576-85183757 
传真号码:0576-85182843
联系邮箱:haihong@cn-hydraulic.com
公司地址:浙江省临海市江南街道金岭路199号
产品特点
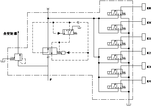
控制方式:电控;
内置调压阀和缓冲阀;换档时,离合器油缸的升压过程是平稳、柔和的两级特性,减少了冲击和磨损;
电磁阀可任意组合,通用性好,结构简单,集成化程度高。
应用领域
平地机、装载机、推土机和矿山机械变速箱系统等工程机械变速箱系统。
液压原理图
         
    
技术参数(对超出下述参数的应用场合,请与我公司联系)
| 概述 | |
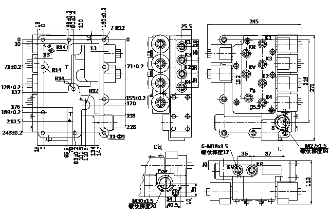
| 安装方式 | 见外形图 | 
| 安装螺栓扭矩 N.m | 22~39 | 
| 重量 | 24.7 | 
| 液压 | |
| 公称流量 L/min | 120 | 
| 档位压力bar | 16~20 | 
| 各档位压差 bar | ≤1 | 
| 压力振摆 bar | ≤±0.5 | 
| 额定电压 V | DC24 | 
| 额定电流 A | 0.83(在额定电压、25℃温度下测定) | 
| 允许电压波动范围 | ±15%UR | 
| 液压油温度范围℃ | -20~+120 | 
| 粘度范围m2/s | 10~380 | 
| 油液允许的污染等级 | -/19/16 (ISO4406:1999) | 
产品外形图
 
    
相关产品
 
销售热线:0576-85182037
友情链接: 多路阀系列 先导阀系列 制动阀系列 操纵阀系列 农机阀系列 转向阀系列 Sitemap TXT Sitemap XML 网站地图

微信官网

手机官网