 
销售热线
技术热线:0576-85183757

 
		 
		
销售电话:0576-85182037
技术电话:0576-85183757 
传真号码:0576-85182843
联系邮箱:haihong@cn-hydraulic.com
公司地址:浙江省临海市江南街道金岭路199号
产品特点
片式手柄在偏转范围内,可任意角度定位;
D06在手柄偏转最大角度可电磁铁定位;
多片灵活组合;
输出压力随手柄角度呈比例变化;
远程液压控制;
操纵力小。
应用领域
适用于多路阀、泵、马达的远程控制,用于叉车、挖掘机等工程机械设备。
液压原理图
    
    
        
    
技术参数(对超出下述参数的应用场合,请与我公司联系)
| 概述 | |
| 结构 | 整体式/分片式 | 
| 油口连接方式 | 螺纹连接 G1/4 或 M14×1.5 | 
| 安装方式 | 见外形图 | 
| 重量 kg | 1.6~1.8 | 
| 液压 | |
| 允许最大回油背压bar | 3 | 
| 先导控制油流量 L/min | 16 | 
| P口最大压力bar | 35 | 
| 电源电压 V | DC24(4TH6D型) | 
| 液压油温度范围℃ | -20~+100 | 
| 粘度范围m2/s | 10~380 | 
| 油液允许的污染等级 | -/19/16 (ISO4406:1999) | 
特性曲线
L06,U06工作口特性曲线,在油温40℃,流量16L/min下测得
      
 
    
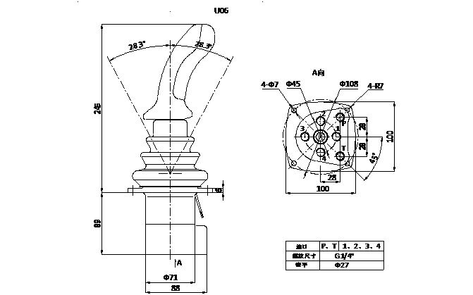
产品外形图
        
    
   
 
    
    
相关产品
 
销售热线:0576-85182037
友情链接: 多路阀系列 先导阀系列 制动阀系列 操纵阀系列 农机阀系列 转向阀系列 Sitemap TXT Sitemap XML 网站地图

微信官网

手机官网