浙江广东会液压科技股份有限公司
广东会液压产品覆盖工程、农业、矿山、工业、环保和军工等各类车辆配套的液压阀、油缸

手机版 微官网 English


销售热线

技术热线:0576-85183757


制动阀系列

所在位置:首页 液压产品 > 制动阀系列 >


关键词:多路阀系列先导阀系列制动阀系列操纵阀系列农机阀系列转向阀系列

>

产品分类 Product Lists

全国服务热线:

0576-85182037

产品样册下载

销售电话:0576-85182037
技术电话:0576-85183757
传真号码:0576-85182843
联系邮箱:haihong@cn-hydraulic.com
公司地址:浙江省临海市江南街道金岭路199号


产品特点(OBV)

  • 制动灵敏,制动微动性能好;

    控制方式:脚踏连杆式;

    密封形式:采用单向阀和锥阀的密封,泄漏量小;

  • N口可根据需要接转向系统或回油;

    工作形式:采用比例减压阀结构,随着脚踏力的不同,输出不同的压力。


产品特点(HXQ)

  • 密封形式:采用单向阀和活塞密封形式,泄漏量小;

    连接方式:与OBV-L25E连接,实现充液功能;

  • 安全装置: 蓄能保压结构设置有安全阀;

    结构特点:弹簧式活塞式和充氮活塞式蓄能器;

应用领域

主要用于5~10吨叉车、或同等吨位其它工程机械的制动系统;

液压原理图

94


技术参数(OBV)(对超出下述参数的应用场合,请与我公司联系)

概述

连接方式

整体式

控制方式

比例减压

安装方式

见外形图

油口连接方式

螺纹

通径 mm

10

重量 Kg

1.9

液压

公称流量 L/min

25

公称压力bar

160

制动压力 bar

100

制动响应时间 s

0.3

允许最大回油背压bar

1

液压油温度范围℃

-20~+100

粘度范围m2/s

10~380

油液允许的污染等级

-/19/16 (ISO4406:1999)

机械

技术参数(HXQ)(对超出下述参数的应用场合,请与我公司联系)

概述

结构

弹簧活塞式和充氮活塞式

控制方式

压力控制

安装方式

见外形图

油口连接方式

螺纹

通径 mm

10

重量 Kg

12.1(HXQ-00b)、 13.2(HXQ-00a)

液压

公称压力 bar

90

允许最大回油背压 bar

15

报警开关电压 V

12~24

蓄能器容积 ml

0.3

报警压力 bar

60

安全阀压力 bar

125

液压油温度范围℃

-20~+100

粘度范围m2/s

10~380

油液允许的污染等级

-/19/16 (ISO4406:1999)

机械

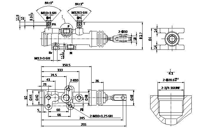
产品外形图(OBV)

122


产品外形图(HXQ)

123


相关产品



广东会液压

销售热线:0576-85182037


技术热线:0576-85183757   传真号码:0576-85182843
联系邮箱:haihong@cn-hydraulic.com   公司地址:浙江省临海市江南街道金岭路199号

友情链接: 多路阀系列 先导阀系列 制动阀系列 操纵阀系列 农机阀系列 转向阀系列 Sitemap TXT Sitemap XML 网站地图

微信二维码
微信官网

手机端二维码
手机官网