 
销售热线
技术热线:0576-85183757

 
		

 
		
销售电话:0576-85182037
技术电话:0576-85183757 
传真号码:0576-85182843
联系邮箱:haihong@cn-hydraulic.com
公司地址:浙江省临海市江南街道金岭路199号
特点
D32/YD32/SD32多路换向阀;
控制方式:手控、液控;
密封性能好;
结构紧凑、压力损失小;
整体式结构,有两联和三联可供选;
回路形式:串并联回路;
溢流阀、过载阀等采用插装式结构;
通用性好,便于维修。
应用领域
ZL40、50、60装载机、叉装机、清扫车等其它大、中型工程机械工作装置液压系统。
液压原理图
     
    
技术参数(对超出下述参数的应用场合,请与我公司联系)
| 概述 | |
| 油口连接方式 | 法兰连接 | 
| 控制方式 | 压力控制 | 
| 安装方式 | 见外形图 | 
| 通径 | 32 | 
| 液压 | |
| 公称流量L/min | 300 | 
| 公称压力bar | 200 | 
| 允许最大回油背压bar | 15 | 
| 先导控制压力bar | 30 | 
| 先导控制曲线bar | 4~25 | 
| 液压油温度范围℃ | -20~+100 | 
| 粘度范围m2/s | 10~460 | 
| 油液允许的污染等级 | -/19/16 (ISO4406:1999) | 
| 机械 | |
| 重量 |  | 
| 两联阀 kg | 65 | 
| 三联阀 kg | 92 | 
| 阀芯允许的最大操作力(手动)N | 250 | 
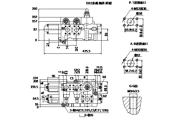
产品外形图
       
    
相关产品
 
销售热线:0576-85182037
友情链接: 多路阀系列 先导阀系列 制动阀系列 操纵阀系列 农机阀系列 转向阀系列 Sitemap TXT Sitemap XML 网站地图

微信官网

手机官网